汽車制造
產品概述
product description
查看大圖
HSR-BR625雙旋機器人
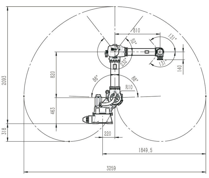
BR雙旋機器人系列HSR-BR625作為雙旋機器人里的“大力士”,有效負載25KG的大負載,1849.5mm的有效工作半徑,同時滿足高負載長工作半徑的雙重要求,超長臂展,大負載靈活作業,保證全方位檢測,無作業盲點,加之靈活的雙旋結構設計,可實現規避小空間限制,真正的達到提高產品品質的目的。BR625操作簡易、低功耗,可實現快速部署,中空手臂的設計,內置線纜、氣管,可使作業環境更整潔安全。BR625尤其適用于裝配、上下料、搬運、沖壓、密集排布鉆工中心等配置,性價比非常高。
使用說明下載產品特點
Features1、輕量化設計,210KG本體重量,可實現25KG靈活搬運;
2、雙旋結構,可規避狹小空間無法作業的限制;
3、節拍時間段,滿足更高速作業節奏;
4、中空手臂設計,將線纜、氣管內置其中,更安全;
5、性價比高,定位為普及型25KG機器人。
產品參數
Product parameters| 工業機器人 | HSR-BR625 | |
| 自由度 | 6 | |
| 負載 | 25Kg | |
| 最大工作半徑 | 1849.5mm | |
| 重復定位精度 | ±0.05mm | |
| 運動范圍 | J1 | ±155° |
| J2 | -178°/-2° | |
| J3 | +128°/+412° | |
| J4 | ±360° | |
| J5 | ±131° | |
| J6 | ±360° | |
| 額定速度 | J1 | 2.44 rad/s,140°/s |
| J2 | 2.46rad/s,141°/s | |
| J3 | 2.98rad/s,171°/s | |
| J4 | 3.92rad/s,225°/s | |
| J5 | 3.92rad/s,225°/s | |
| J6 | 3.92rad/s,225°/s | |
| 最高速度 | J1 | 4.06rad/s,233°/s |
| J2 | 4.10ad/s,235°/s | |
| J3 | 4.97rad/s,285°/s | |
| J4 | 8.49rad/s,487°/s | |
| J5 | 8.49rad/s,487°/s | |
| J6 | 8.49rad/s,487°/s | |
| 容許慣性矩 | J6 | 2.0㎏㎡ |
| J5 | 3.7kg㎡ | |
| J4 | 3.7kg㎡ | |
| 容許扭矩 | J6 | 40.9Nm |
| J5 | 79.8Nm | |
| J4 | 76.5Nm | |
| 適用環境 | 溫度 | 0~45° |
| 濕度 | 20%~80% | |
| 其他 | 避免與易燃易爆或腐蝕性氣體、液體接觸,遠離電子噪聲源(等離子) | |
| 示教器線纜長度 | 8米 | |
| 本體-柜體連接線長度 | 6米 | |
| I/O參數 | 數字量:32輸入(NPN? PNP均可),31輸出(NPN) | |
| 本體預留信號線 | 24位(航空插頭連接) | |
| 預留氣路 | 2*Φ8 | |
| 電源容量 | 5.6KVA | |
| 額定功率 | 4.3kW | |
| 額定電壓 | 3相380V? | |
| 額定電流 | 8.1A | |
| 本體防護等級 | IP54(前端IP67) | |
| 安裝方式 | 地面、倒掛、側掛、任意方向安裝 | |
| 本體重量 | 210kg | |
| 控制柜防護等級 | IP53 | |
| 控制柜尺寸 | 690mm(寬)×411mm(厚)×890mm(高)-立式 | |
| 控制柜重量 | 91kg | |
產品尺寸
Product Size


